欢迎来到安平县秉德丝网制品有限公司网站!

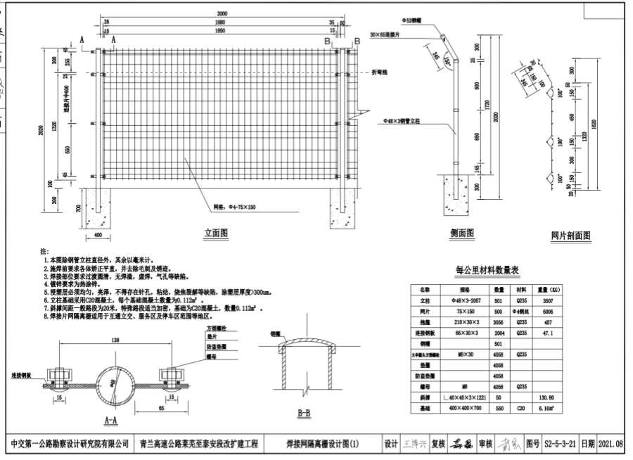
青兰高速公路莱芜至泰安段改扩建工程焊接网隔离栅专业生产厂家
1.本图除钢管立柱直径外,其余以毫米计。
2.施焊前要求各体矫正平直,并去除毛刺及锈迹。
3.焊接部位要求过渡圆滑,无焊渣,虚焊,气孔等缺陷。
4.镀锌要求为热涂锌。
5.浸塑层必须均匀,亮泽,不得存在针孔,粘结,烧焦裂解等缺陷,涂塑层厚度>300um。
6.立柱基础采用C20混凝土,每个基础混凝土数量为0.112m3。
7.斜撑间距一般路段为20米,特殊路段适当加密,基础为C20混凝土,数量0.112m3。
8.焊接片网隔离栅适用于瓦通立交、服务区及停车区范围等地区。