欢迎来到安平县秉德丝网制品有限公司网站!

内蒙古乌兰察布商都县光伏场区围栏专业生产厂家
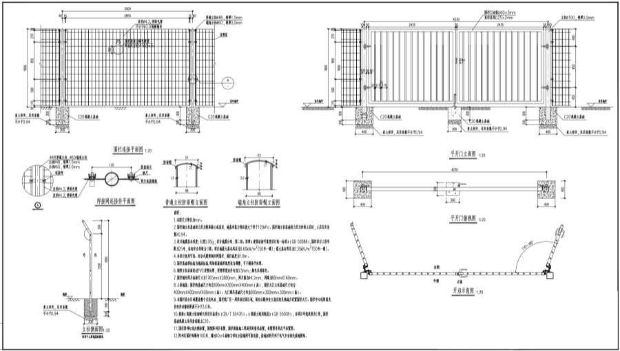
1.围栏钢丝网片标称尺寸为1765mmX2880mm,网片筋为4.2mm,网眼为80mmX160mm。
2.土质地基:围栏的基础尺寸均为300mmX300mmX400mm(高),围栏大门立柱基础尺寸均为
400mmX400mmX400mm(高)。大门锁具基础尺寸均为300mmx300mmx300mm(高)。
3.本围栏应全区域覆盖整个光伏电站,围栏绕厂区一周形成封闭区域,场内公路和业主指定的其他地方设置围栏大门。围栏中心线距离光伏组件边缘的距离不小于3.0米。
4.根据《混凝土结构耐久性设计标准》(GB/T 50476 )、《混凝土通用规范》(GB 55008),本项目环境别为Ⅰ类围栏,基础混凝土采用素混凝土C20。
5.围栏紧邻红线内侧布置,围绕阵列区布置。围栏根据施工现场实际情况布置,布置图详见总平布置图。
6.阵列区围栏每隔约100米,通过40X4扁钢与邻近主接地网可靠连接,接地材料开列于电气专业相关接地图纸。